安徽威帆傳動機械有限公司-產品資料
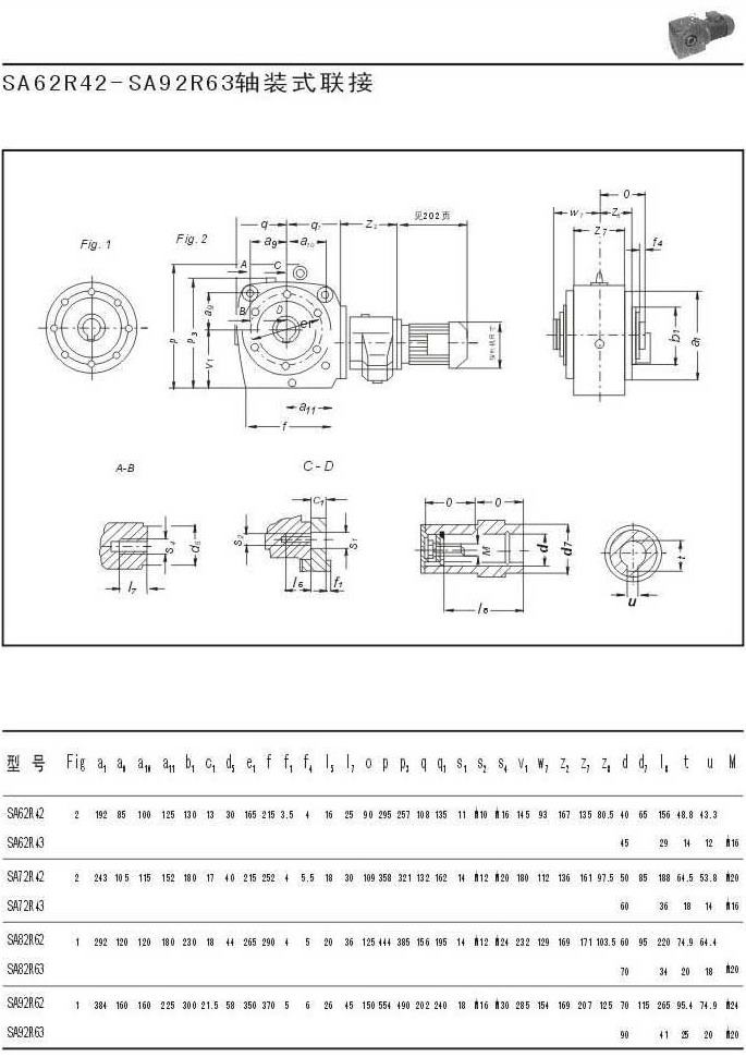
SA62R42-SA96R63軸裝形式聯結參數圖表
上一頁
下一頁
上一頁
下一頁
Copyright © 2007 - 2026 All Rights Reserved 安徽威帆傳動 www.bjyrkt.cn